08.121.4
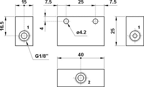
линейный элемент И - G1/8"

Технические данные
- присоединения: G1/8"
- Рабочая температура: не более +60°C
- Рабочее давление: 2 ... 10 bar
- Рабочая среда: фильтрованный воздух 50µ со смазкой или без
Материалы
- Корпус: алюминий 11S
- Уплотнения: NBR
- Внутренние части: латунь OT58
Предыдущая страница