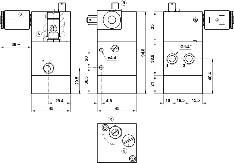
10.003.3
slow-start valve

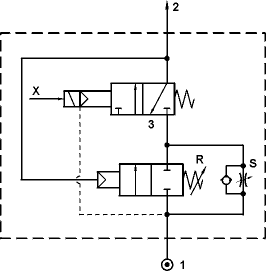
Valve operation
The slow-start valve is a very compact and sensitive valve which is designed to apply pressure to a pneumatic circuit in two phases.
(a) When the pilot solenoid valve (X) in energised a progressively increasing pressure is applied to the circuit over a period of time set by screw S. The progressive start pressure is set by adjusting screw (R - не более 4 bar).
(b) Once the set pressure (screw R) has been reached, the slow-start valve begins to automatically feed the circuit with the system pressure.
When the solenoid is de-energised the system pressure is exhausted without disconnecting system pressure at point 1.
Технические данные
- присоединения: G1/4"
- не болееimum flow rate in the phase (a): 300 Nl/min
- Flow rate in the phase (b): see graphic
- Рабочая температура: не более +60°C
- Рабочее давление: 2 ... 10 bar
- Рабочая среда: фильтрованный воздух 50m со смазкой или без
Материалы
- Корпус: алюминий 11S
- Уплотнения: NBR
- Пружины: нержавеющая сталь
- Spools: nickel plated aluminium
- Внутренные части: латунь OT58
Flow rates (phase b)
The product is sold without coil, which is bought separately.
Предыдущая страница