08.156.4
signal elaborator


| logic symbol | | application sketch |
| | | |
 | |
 |
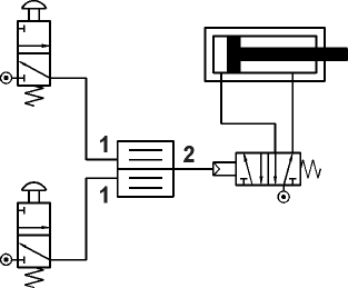
Valve operation
This valve is used to pilot high-flow directional control valves connected to machines which have a high risk of injuries to the hands.
The machine operator must simultaneously operate, in a safe area, two three-way manual valves for correct operation. The safety valve will ignore a single depression of one of the manual valves. To repeat the cycle both pilot signals must be exhausted and the manual valves simultaneously actuated again.
The signal elaborator is sold with CE-certification (compliant to Machinery Directive 2006/42/EC and to Norm UNI EN 574-1:2008 and EN 574:1996 + A1:2008 type 3A).
Technical data
- Ports: G1/8"
- Maximum flow rate: 100 Nl/min
- Temperature range: -10°C ... +60°C
- Working pressure: 3 ... 8 bar
- Delay between two actuating signals: < 0.5 s
- Fluid: 50µ filtered, lubricated or non lubricated air
Materials
- Body: aluminium 11S
- Seals: NBR
- Springs: stainless steel
- Internal parts: brass OT58
operating instructions and certificate in PDF
previous page