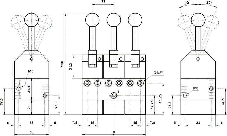
- Only one air supply port
- Special blocks on request
| model | no. stations | A |
| 00.163.4 | 2 | 61 |
| 00.160.4 | 3 | 92 |
| 00.164.4 | 4 | 123 |
00.163.4
|
AUTOCAD ver 14. DWG |
JPG |
ACIS - SAT |
STEP |
|
 |
 |
 |
 |
00.160.4
|
AUTOCAD ver 14. DWG |
JPG |
ACIS - SAT |
STEP |
|
 |
 |
 |
 |
00.164.4
|
AUTOCAD ver 14. DWG |
JPG |
ACIS - SAT |
STEP |
|
 |
 |
 |
 |
Технические данные
Предыдущая страница