logo







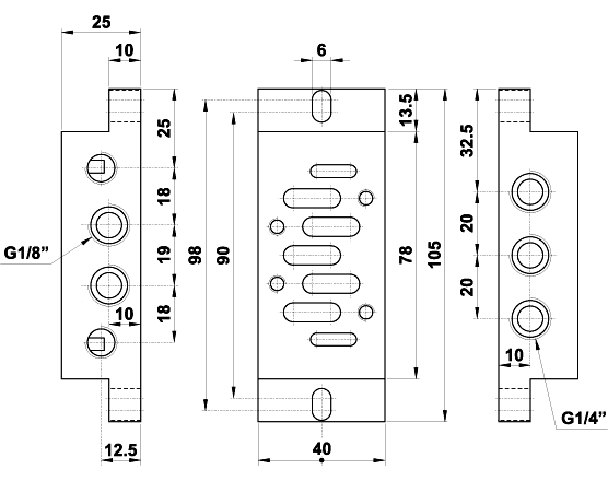
Modular sub-base


sub-base


photo
MLD1

It is sold in kit with all necessary pieces for installation.

AUTOCAD ver 14. DWG

JPG  

ACIS - SAT

STEP




Individual manifold


individual manifold


photo
SL1


Предыдущая страница