00.177.4
High-flow pneumatic timer
for delayed actuation

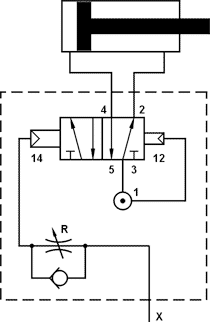
Valve operation
This is a high-flow 5 way valve with a pneumatic timer which delays the effect of the pneumatic pilot after a preset time. The time is adjusted by screw (R).
When a signal is applied to X the valve will stay in the quiet position until the time which was set at R has elapsed, and then the valve will automatically switch to the actuated position. Then the valve will remain in the actuated position. When the pilot signal stops, the valve returns to the quiet position.
The valve will only operate when pressure signal is applied to X.
Technical data
- присоединения: G1/8"
- Temperature range: max +60°C
- Working pressure: 2 ... 10 bar
- Actuating pressure: 3 ... 10 bar
- Time regulation range: 0 ... 15 s
- Fluid: 50µ filtered, lubricated or non lubricated air
Materials
- Body: aluminium 11S
- Seals: NBR
- Springs: stainless steel
- Spool: nickel plated aluminium
- Internal parts: brass OT58
Flow rates
Предыдущая страница