00.074.4
High-flow pneumatic timer
for automatic return

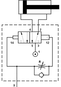
Valve operation
This is a high-flow 5 way valve with a pneumatic timer which allows the automatic return of the valve after a preset time. The time is adjusted by screw (R).
When a signal is applied to X the valve will stay operated until the time which was set at R has elapsed, and then the valve will automatically re-set. To repeat the cycle the signal must be exhausted and then applied again.
If a momentary signal is applied the valve will operate as a conventional 5 way mono-stable valve without the time delay function.
The valve will only operate when pressure signal is applied to X.
Technical data
- присоединения: G1/8"
- Temperature range: max +60°C
- Working pressure: 2 ... 10 bar
- Actuating pressure: 3 ... 10 bar
- Time regulation range: 0 ... 15 s
- Fluid: 50µ filtered, lubricated or non lubricated air
Materials
- Body: aluminium 11S
- Seals: NBR
- Springs: stainless steel
- Spool: nickel plated aluminium
- Internal parts: brass OT58
Flow rates
Предыдущая страница